High Quality, Excellent Servce
 
 
  Summarize
 
     LPG gets more and more widely used by its convenient getting and transporting, high calorific valve and clean burning. In the using process, it always needs add to the certain quantity of air according to the local practical situation, in order to make the single gas mixer gets an exchange need with NG and coal gas. After adding to a certain quantity of air in the LPG, to the relative cold area, also can satisfy the long distance medium pressure needs. Another, adding LPG to the lower calorific valve gas can increase the calorific valve. In conclusion, the mixed gas has got widely used in practical project. The mixed gas proportion should be over 1.5 times of the explosion upper limit.
 
Venturi Mixer(HOM Series)
 
  Operating
 

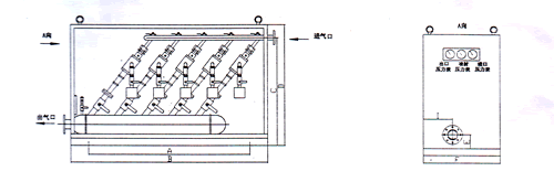
       Venturi Mixer, by using of the LPG pressure, ejecting through the supersonic nozzle, and forming into negative pressure in the aspir-ating chamber, absorbing outside air, and exporting after sufficient mixing with LPG in the venturi tube. Starting and stopping of the equipment completes automatically depend on the change of pipe arrangement pressure. Because air is absorbed by negative pressure, which formed by the ejecting of LPG, ejecting pressure of LPG cannot be too low, commonly, it should be above 3kgf/cm2. This equipment has mature technology, stable operation condition and low operation cost. Mixed proportion also can adjust in a cer-tain range, just its export mixed pressure is lower, commonly, below 0.5kgf/cm2. To realize high-pressure transportation, it nee-ds to use air with pressure outside the aspirating chamber, to form into boosting venturi mixer, this equipment can improve its tran-sportation pressure by leaps and bounds, and satisfy long distance transportation needs of the users.

         Venturi, mixed gas ability is definite. In the using process, mixed output and consumption maybe exist matching problem. The measures below can solve this problem:(1) Setting surge tank;    (2)Selecting multibarrelled mixer, and based on the working quan-tity of the starting and stopping of venturi tube automatically of the pipe arrangement pressure, makes mixed output and consumpti-on get to basic matching.

       In mixed gas system, always import the signal of oxygen content analyzer or Calorimeter into control system, for we can know the mixed gas proportion at any moment. When the mixed gas proportion over the allowable range, the mixer can stop working automatically, ensure safety working of the system.

      Sound deadening, filtrating and nonreturn settings included in the air suction inlet, inside the wall of the mixer, also installed noise deadener to reduce noise when operating.

 
  Technical Features
 
1.Operating conditions of mixed gas are stable and the cost is inexpensive.
2. Sound deadening, filtrating settings included in the air inlet and inside the wall of the mixer installed noise deadener.
3. Work starting and stopping of multibarrelled venturi mixer controlled automatically depend on operating chamber by intelligent control system.
4. Setting many points safety catenation, including mixed gas pressure over limit, mixed gas proportion over limit and so on.
5. Making non-standard equipment according to the user’s request.
 
 Technical Parameters
 
1.Manner of mixed gas: Venturi alluding or boosting Venturi
2. Mixed Proportion: 9:1—1:4.5 (LPG: air)
3. LPG spraying presser: 0.3:—0.5 Mpa
4. Mixed gas outlet presser: ≤ 0.5 kgf / cm2(Boosting Venturi can improve accordingly)
 
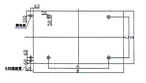
  Overall dimension
 
 
 
 
Content
Data
Specificatio
Quantity of Mixed Gas NM3 Electric Consumption W Specificationmm
A B C D E F G H I
HOM—150 150 300 900 1200 1000 1280 220 660 150 220 250
HOM—300 300 300 1200 1600 1100 1380 240 860 150 220 330
HOM—450 450 300 1200 1600 1100 1380 240 860 150 220 330
HOM—600 600 300 1500 1800 1300 1600 300 1100 150 220 450
HOM—1000 1000 600 1800 2000 1300 1600 300 1100 150 220 450
HOM—1500 1500 600 2000 2400 1500 1800 400 1400 150 220 550
HOM—2000 2000 600 2400 2800 1500 1800 400 1400 150 220 550
 
Attention: Over specification equipment can customize. Parameters above are subject to change with the technical development of our company without notice.
 
| HomePage | Introduce | Contact us | Our city | Site map | Friendly Link | 中文 |
Copyright(c) 1995-2006 YWH Corporation.
粤ICP备 05009517 号   Best viewed in 800X600 resolution.
TEL.:+86-755-25887166 25887236     FAX:+86-755-25887232  Email:ywh1995 @126.com